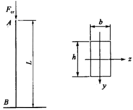
当前位置:首页建筑工程注册岩土工程师岩土基础知识->图示矩形截面细长(大柔度)压杆,弹性模量为E。该压杆的临界载

图示矩形截面细长(大柔度)压杆,弹性模量为E。该压杆的临界载荷Fσ

岩土基础知识,章节练习,基础复习,注册岩土基础知识模拟

岩土基础知识,章节练习,基础复习,注册岩土基础知识模拟

  • A.见图A
  • B.见图B
  • C.见图C
  • D.见图D
答案: B
本题解析: 暂无解析
更新时间:2022-07-09 15:17
纠错

你可能感兴趣的试题

单选题

TCP/IP协议是Internet中计算机之间通信所必须共同遵循的一种:

  • A.信息资源
  • B.通信规定
  • C.软件
  • D.硬件
查看答案
单选题

岩土基础知识,章节练习,注册岩土工程师《公共基础考试》高等数学(巩固)

  • A.见图A
  • B.见图B
  • C.见图C
  • D.见图D
查看答案
单选题

岩土基础知识,章节练习,注册岩土工程师《公共基础考试》高等数学(巩固)

  • A.见图A
  • B.见图B
  • C.见图C
  • D.见图D
查看答案
单选题

岩土基础知识,章节练习,注册岩土工程师《公共基础考试》高等数学(巩固)

  • A.0. 9544
  • B.0. 9312
  • C.0. 9607
  • D.0. 9722
查看答案
单选题

岩土基础知识,章节练习,注册岩土工程师《公共基础考试》高等数学(巩固)

  • A.X2(n-1)
  • B.X2(n)
  • C.t(n-1)
  • D.t(n)
查看答案
单选题

岩土基础知识,章节练习,注册岩土工程师《公共基础考试》高等数学(巩固)

  • A.N(9,10)
  • B.N(9,102)
  • C.N(9,5)
  • D.N(9,2)
查看答案
单选题

岩土基础知识,章节练习,注册岩土工程师《公共基础考试》高等数学(巩固)

  • A.见图A
  • B.见图B
  • C.见图C
  • D.见图D
查看答案
单选题

设总体X的概率分布为:

岩土基础知识,章节练习,注册岩土工程师《公共基础考试》高等数学(巩固)

其中θ()

  • A.1/4
  • B.1/2
  • C.2
  • D.0
查看答案
单选题

岩土基础知识,章节练习,注册岩土工程师《公共基础考试》高等数学(巩固)

  • A.1,0,1
  • B.1,1,2
  • C.-1,1,2
  • D.1,-1,1
查看答案
单选题

岩土基础知识,章节练习,注册岩土工程师《公共基础考试》高等数学(巩固)

  • A.见图A
  • B.见图B
  • C.见图C
  • D.见图D
查看答案