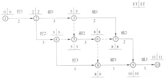
如图中挖3工序的最早开始时间和最早完成时间论述正确是( )。

2021教材P325 / 2020教材P306 / 2019教材P300
工序的最早开始时间在箭尾点的最早时间=5,是表示第5天后即第6天早晨,因为第一道工序的开始时间0则表示为第0天后即第1天早晨开始;工序最早完成不能用箭头点的参数,只能通过工序开始时间加持续时间计算求得,5+1=6,
某安装单位中标一综合机电总承包安装工程,合同造价3000 万元,项目施工内容包括:
净化空调系统(洁净度等级为N7)、储罐安装等。合同工期12 个月,2014 年8 月5 日开工。
安装单位在施工前,对并联水泵出口接管图纸进行了施工优化,其中水平主管和立管的接管方式如下:

在空调系统调试中,安装单位发现风管在系统启动时产品颤动且有噪声,经查是风管制作原因导致,安装单位采取相应措施处理后系统恢复正常。风管连接时,安装单位采用S 形插条连接,安装完毕后进行漏风量检测,漏风量严重超标。监理单位要求安装单位整改。
安装单位的技术人员对储罐的罐底焊缝采用真空箱法进行严密性试验,并对罐壁采用充水方式进行强度及严密性试验。
该工程在2015 年8 月5 日竣工验收,建设单位在2017 年8 月26 日发现空调不制冷后要求安装单位进行质量保修。
问题:
1.并联水泵出口水平主管与立管的接管方式是否正确?说明理由。画出正确的接管示意图(单线图)。
2.此工程的风管系统属于何种压力等级?分析造成风管颤动及噪声的制作原因。
3.分析风管漏风量严重超标的原因,应如何整改。
4.真空箱法的试验最低负压值是多少?简述罐壁的强度及严密性试验充水方法和合格标准。
5.安装单位是否应对空调系统进行质量保修?说明理由。写出该空调工程质保期的结束时间。
某制氧站经过招投标,由具有安装资质的公司承担全部机电安装工程和主要机械设备的采购。安装公司进场后,按合同工期,工作内容,设备交货时间,编制了施工进度计划如表1。
表1施工进度计划

在计划实施过程中,电气安装滞后10天,调试滞后3天。
A公司在设备采购时,在性价比方面对制造厂商进行了咨询,从中选择了备选厂商,进行了邀请招标。
在制氧机法兰和管道法兰连接时,施工班组未对法兰的偏差进行检验,即进行法兰连接,遭到项目工程师的制止。
整个工程施工完毕后,经过中间交接,建设单位组织了联动试运行,生产线各项指标均达到要求。
问题:
1.根据表1计算总工期需多少天?电气安装滞后及调试滞后是否影响总工期?并分别说明理由。
2.在选择供应商时,应考虑哪些因素?
3.制氧机在固定后,应如何与管道连接?
4.联动试运行生产线应达到什么要求?
工业安装工程中,分部分项工程质量验收记录的检查评定结论由()编写。
A 公司承接某机电安装工程,工程内容有:冷水机组、配电柜、水泵等设备的安装和冷水管道、电缆排管及电缆施工。施工中发生了如下事件:
事件1:班组领料时,材料员按照材料计划进行发料,并在管端进行了涂色标记,但由于施工班组管理不善,在使用时还是发生了混料现象,不得不重新进行检验。
事件2:由于冷水管道有些采用国外进口材料,A 公司此前从没有遇到过,由于工期较紧,项目部抽调2 名技术较好的焊工进行相应练习后,就进行管道施焊。
事件3:由于本工程所使用的都是低压电缆,A 公司在使用前进行了封端密封试验,施工后进行了相关试验,确保电缆施工质量符合要求。
事件4:质检员在进行检查时,发现冷冻水泵进出管道布置如图1 所示,遂要求施工班组进行整改。

【问题】:
1.材料混料问题出现在哪个环节,为什么?
2.冷水管道焊接的做法是否正确,应如何进行?
3.电缆封端严密性试验的方法是什么?电缆还应做哪些试验?
4.说明正确的接管形式,请画出正确的接管示意图?
某水泥厂新建一条日产5000t新型干法水泥生产线,其中机电安装工程以GC模式进行了公开招标,共有A、B、C、D、E五家公司参与投标。评标委员会由6人组成,其中有建设单位邀请的4名经济技术专家和2名建设单位代表,在评标过程中,由于A公司为私营企业,评标委员会要求A公司如果中标需多交10%的质量保证金,A公司提出抗议,但未被采纳。B公司认真研究了招标文件,在施工组织设计编制中,重点描述了企业信誉、施工装备、技术水平等自身优势,争取对评标人员有较大的吸引力,但优点不够突出,最终由准备更加充分的C公司中标。生产线变电设备使用油浸式变压器,由于变压器本身较重,运输时变压器内未充绝缘油,开箱检查时发现变压器内部潮湿,绝缘电阻值达不到要求,后经干燥处理达到了设计要求。C公司经二次搬运、吊装、就位、吊芯检查及干燥等工作后,对其绕组连同套管一起的直流电阻测量、极性和组别测量等进行了多项试验。并顺利完成安装任务。粉末设备使用的φ2.2m×7m球磨机重30t,项目部根据现场情况编制了详细的安全专项吊装方案。吊装方案拟采用两台50t汽车吊抬吊,根据现场情况和起重机的特性曲线,选择了合适的起重机。破碎机的动力设备使用30KW交流异步电动机,电机安装完成后,进行单机试运行,发现电机噪声较大,后经检查发现有2组垫铁在设备运转后被振松动,与设备接触不良造成。后经技术处理,运转正常。所有电气和设备安装调试完成后,由建设单位组织相关单位进行了试运行,顺利通过验收。
【问题】
1.指出本案例中评标委员会的构成存在哪些问题?A公司提出的抗议是否合理?说明理由。
2.案例中油浸式变压器运输时应采取的特定措施有哪些?变压器交接时还应进行哪些试验?
3.简述流动式起重机特性曲线的含义。
4.针对本案例中的垫铁松动可以采取哪些措施?影响电机安装精度的因素还有哪些?
建筑安装分部工程质量验收时,有关、节能、环境保护和主要功能的,应进行( )。
电站锅炉,蒸发受热面及炉前系统在启动前必须进行化学清洗。化学清洗结束至锅炉启动时间不应超过( )D.
某工程主要包括:消防和空调的施工。A 公司承接该任务后,将施工内容进行分解,并编制了施工方案,其内容包括测量放线、材料、设备验收、设备安装、管道焊接、管道试压冲洗、系统的调试及试运行。
A 公司在管线施工中应用了BIM 技术,对走廊吊顶内工作压力为300Pa,采用橡塑保温的风管进行了模拟施工,无问题后,应用于实体施工。
由于在施工中,业主对相关的施工内容进行变更,影响了工期,但业主要求A 公司按原计划完工,因此A 公司补充人员加班加点抢工期,因此留下了一些质量问题,其中之一是风机和风管的连接,如下图:

为此A 公司积极组织人力对工程质量问题进行调查,制定整改措施,保证工程质量合格。
【问题】:
1.本工程中,施工技术交底的重点有哪些?
2.基于BIM 的管线综合技术有哪些优点?
3.吊顶中风管安装,应进行哪些检验和试验?
4.风机和风管连接的错误有哪些?
5.质量问题调查的内容有哪些?
以下属于“三查四定”中三查的有( )。
下列检验工作,按施工阶段划分属于施工过程检验的有( )。