当前位置:首页 → 建筑工程 → 二级建造师 → 二建建设工程施工管理->某双代号时标网络计划如下图(时间单位:天),工作总时差正确的
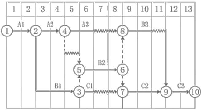
某双代号时标网络计划如下图(时间单位:天),工作总时差正确的有( )。

TFA3=3。
承包人已经提交竣工验收报告,发包人拖延验收的,竣工日期()。
根据《建设工程质量管理条例》,最低保修期限不低于2年的工程有( )。
下列关于联合体投标的说法,错误的是 ( )
根据《最高人民法院关于审理建设工程施工合同纠纷案件适用法律问题的解释》。关于解决工程价款结算争议的说法,正确的是( )。
预算定额是编制概算定额的基础,是以()为对象编制的定额。
关于工程量清单计价方式下竣工结算的编制原则,下列说法中正确的是( )。
(2020年真题)根据《建设工程质量管理条例》,建设单位应当在施工前委托原设计单位或者具有相应资质等级的设计单位提出设计方案的是涉及( )的装修工程。
(2020年真题)施工作业人员张某在作业过程中,发现吊装预制构件未绑扎牢固而失衡摆动,即将脱落直接危及人身安全,随即停止作业并迅速躲避。该情形属于张某行使( )。
(2020年真题)根据《消防法》。关于施工企业的消防安全职责的说法,正确的是( )。
(2019年) 根据《建筑施工企业负责人及项目负责人施工现场带班暂行办法》,属于建筑施工企业负责人的是 ( )。