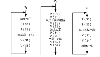
某企业生产流水线上有 2 名工人 P1 和 P2 , 1 名检验员 P3 。 P1 将初步加工半成品放入半成品箱 B1 ; P2 从半成品箱B1取出继续加工,加工好产品放入成品箱 B2 ; P3 从成品箱B2去除产品校验。假设 B1 可存放 n 件半成品, B2可存放m件产品,并设置6个信号量 S1 、 S2 、 S3 、 S4 、 S5和S6 ,且 S3 和 S6 初值都为 0 。采用 PV 操作实现P1 、 P2和P3同步模型如下图所示, S2 、 S4初值分别为()。

在本题中涉及到信号量较多,所以先要分析应用场景中哪些地方可能涉及到互斥和同步,这样才能把问题分析清楚。从题目描述可以了解到整个流程由3名不同工人协作完成,先进行P1处理,然后是P2,最后P3,这样要达到协作关系,要使用同步信号量。同时由于P1处理结果会存到B1中,P2再从B1取内容,在此B1不能同时既进入存操作,也进行取操作,这就涉及到互斥。结合配图可以看出:S1信号量是互斥信号量,它确保B1使用是互斥使用;S5信号量针对B2起到同样作用









