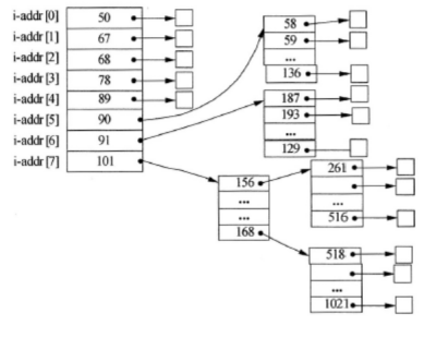
假设文件系统采用索引节点管理,且索引节点有8个地址项iaddr[0]~iaddr[7],每个地址项大小为4B,iaddr[0]~iaddr[4]采用直接地址索引,iaddr[5]和iaddr[6]采用一级间接地址索引,iaddr[7]采用二级间接地址索引。假设磁盘索引块和磁盘数据块大小均为1KB字节,文件File1索引节点如下图所示。若用户访问文件File1中逻辑块号为5和261信息,则对应物理块号分别为(请作答此空);101号物理块存放是( )。

根据题意,磁盘索引块为1KB,每个地址项大小为4B,故每个磁盘索引块可存放1024/4=256个物理块地址。又因为文件索引节点中有8个地址项,其中5个地址项为直接地址索引,这意味着逻辑块号为0~4为直接地址索引;2个地址项是一级间接地址索引,其中第一个地址项指出物理块中是一张一级间接地址索引表,存放逻辑块号为5~260对应物理块号,第二个地址项指出物理块中是另一张一级间接地址索引表,存放逻辑块号为261~516对应物理块号。经上分析,从题图不难看出,逻辑块号为5信息应该存放在58号物理块中,逻辑块号为261信息应该存放在187号物理块中。
由题中可知,iaddr[7]采用二级间接地址索引,且iaddr[7]中存放物理块号为101。1个地址项是二级间接地址索引,这意味着该地址项指出物理块中存放是256个一级间接地址索引表,故101号物理块存放是二级间接地址索引表。










