当前位置:首页建筑工程一级注册建筑师建筑结构->图所示结构跨中弯矩最接近(  )。

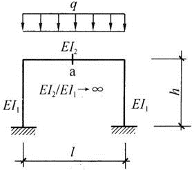
图所示结构跨中弯矩最接近(  )。

建筑结构,章节练习,建筑力学

  • A.Ma=ql2/8
  • B.Ma=ql2/4
  • C.Ma=ql2/12
  • D.Ma=ql2/2
答案: A
本题解析:

EI2/(EI1)趋向于无穷,即竖杆的刚度EI1相对于横梁的刚度EI2趋近于零,相当于竖杆对横梁的端部转动几乎没有约束作用,横梁两端约束相当于简支梁,在均布荷载下跨中弯矩接近于ql2/8。

更新时间:2022-07-15 16:10
纠错

你可能感兴趣的试题

单选题

建设项目的实际造价是(  )。

  • A.中标价
  • B.承包合同价
  • C.竣工决算价
  • D.竣工结算价
查看答案
单选题

建筑设计,章节练习,中国古代建筑史,强化练习

  • A.建筑尺度
  • B.建筑造型
  • C.建筑细部
  • D.建筑环境
查看答案
单选题

建筑设计,章节练习,中国古代建筑史,强化练习

  • A.福建、广西、江苏
  • B.江西、广西、浙江
  • C.福建、云南、安徽
  • D.广东、湖南、江苏
查看答案
单选题

建筑设计,章节练习,中国古代建筑史,强化练习

  • A.福建、广西、江苏
  • B.江西、广西、浙江
  • C.福建、云南、安徽
  • D.广东、湖南、江苏
查看答案
单选题

建筑设计,章节练习,中国古代建筑史,强化练习

  • A.唐、北魏、南梁
  • B.隋、东汉、唐
  • C.汉、北魏、唐
  • D.隋、东汉、南梁
查看答案
单选题

建筑设计,章节练习,中国古代建筑史,强化练习

  • A.法国的安德鲁,德国的赫尔佐格,英国的福斯特
  • B.法国的佩罗,瑞士的赫尔佐格和德梅隆,荷兰的库哈斯
  • C.法国的安德鲁,荷兰的库哈斯,英国的福斯特
  • D.法国的安德鲁,瑞士的赫尔佐格和德梅隆,荷兰的库哈斯
查看答案
单选题

建筑设计,章节练习,中国古代建筑史,强化练习

  • A.唐—扬州;辽—大同;五代—登封;隋—大理
  • B.南梁—扬州;辽—应县;隋—嵩山;五代—大理
  • C.南唐—南京;辽—蓟县;北魏—嵩山;唐—西安
  • D.南唐—南京;辽—应县;北魏—登封;唐—西安
查看答案
单选题

建筑设计,章节练习,中国古代建筑史,强化练习

  • A.唐长安、元大都、汉长安、明南京
  • B.汉长安、明清北京、唐洛阳、南朝建康城
  • C.唐长安、明清北京、汉长安、明南京
  • D.汉长安、元大都、唐长安、南朝建康城
查看答案
单选题

建筑设计,章节练习,中国古代建筑史,强化练习

  • A.陕西、浙江、四川
  • B.山西、安徽、四川
  • C.陕西、江西、云南
  • D.河南、安徽、云南
查看答案
单选题

建筑设计,章节练习,中国古代建筑史,强化练习

  • A.建筑造型
  • B.建筑比例
  • C.建筑尺度
  • D.建筑环境
查看答案