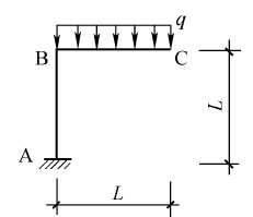
图示结构受均布荷载作用,则其变形图正确的是( )。

由于外荷载向下作用,同时要保证刚节点B和固定端A处直角形状不变,故结构横梁的变形曲线应试凸形的。
建设项目的实际造价是( )。








