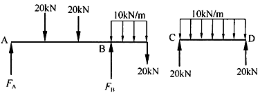
所示梁支座B处左侧截面的剪力为( )。

从中间铰链处断开,分别画出AC杆和CD杆的受力图如。首先分析CD杆的受力。根据对称性可知C、D两端的支反力相等,都等于20kN。再分析AC杆的受力,由∑MA=0,FB×6=20×2+20×4+20×8+(10×2)×7,解得:FB=70kN。因此,VB左=10×2+20-70=-30kN。

建设项目的实际造价是( )。
砌体结构的圈梁被门窗洞口截断时,应在洞口上部增设相同的附加圈梁,其搭接长度不应小于附加圈梁与原圈梁中到中垂直距离的2倍,且不能小于下列哪一个数值?( )







建筑物共有四个抗震设防类别,下列哪一类建筑的分类原则是正确的?( )