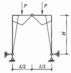
当前位置:首页建筑工程二级注册建筑师建筑结构与设备->图示结构弯矩图正确身()。

图示结构弯矩图正确身( )。

  • A.建筑结构与设备,章节练习,基础复习,建筑结构综合练习10
  • B.建筑结构与设备,章节练习,基础复习,建筑结构综合练习10
  • C.建筑结构与设备,章节练习,基础复习,建筑结构综合练习10
  • D.建筑结构与设备,章节练习,基础复习,建筑结构综合练习10
答案: C
本题解析:

对称结构作用对称荷载矩图对称,水平支座反力向内,柱外侧受拉,铰处弯矩为零。

更新时间:2022-01-03 23:41
纠错

你可能感兴趣的试题

问答题

设计内容

卫生间同层排水,图为卧室与卫生间相邻的墙体,排水管道不得穿越楼板。补全构造节点,并标明材料、厚度及相关及寸。

建筑构造与详图作图题,押题密卷,建筑构造与详图(作图题)押题密卷2

查看答案
问答题

设计内容

根据所给的条件,标出3个水平防潮层的做法及位置,2个垂直防潮层的位置。

建筑构造与详图作图题,押题密卷,建筑构造与详图(作图题)押题密卷2

建筑构造与详图作图题,押题密卷,建筑构造与详图(作图题)押题密卷2

查看答案
问答题

设计条件

某快餐厅厨房一层局部平面及场地见下页图,场地中已给出隔油池和化粪池位置,室外排水管线应位于建筑北侧并连接到化粪池

作图要求

1.在已给平面中按图例绘制所需的地漏和室内排水管线。

2.在建筑北侧室外按图例绘制检查井和室外排水管线。

建筑构造与详图作图题,押题密卷,建筑构造与详图(作图题)押题密卷2

建筑构造与详图作图题,押题密卷,建筑构造与详图(作图题)押题密卷2

查看答案
问答题

设计条件

某多层住宅钢筋混凝土结构地下车库局部剖面下页图,地下室底板、侧墙、顶板均采用防水混凝土,防水设防等级为Ⅱ级,不设置保温层。

作图要求

1.绘出底板、侧墙、顶板的防水构造,并在引出线上分层注明材料、做法、厚度。

2.完整绘出阴阳转角处大样①、②、③的防水构造,并标注材料、做法、厚度及控制宽度。

建筑构造与详图作图题,押题密卷,建筑构造与详图(作图题)押题密卷2

建筑构造与详图作图题,押题密卷,建筑构造与详图(作图题)押题密卷2

查看答案
问答题

设计条件

如图为某学校教学楼一层平面图,该建筑所在地区日晒不强烈且昼夜温差小于15℃。

作图要求

1.绘出1m宽度的散水及其伸缩缝。

2.标注伸缩缝的间距。

3.填空:伸缩缝的缝宽15~20 mm。

建筑构造与详图作图题,押题密卷,建筑构造与详图(作图题)押题密卷2

建筑构造与详图作图题,押题密卷,建筑构造与详图(作图题)押题密卷2

查看答案
问答题

设计任务

某学校宿舍盥洗室及卫生间平面如图所示,根据建筑物用途,在图上用图例所示符号分别绘出给水、排水立管和水平管布置图、室内灯具照明图、开关位置、线路布置图。

建筑构造与详图作图题,押题密卷,建筑构造与详图(作图题)押题密卷2

建筑构造与详图作图题,押题密卷,建筑构造与详图(作图题)押题密卷2

查看答案
问答题

设计条件

某厂区拟在原有两座厂房A、B处贴建一新厂房C,厂房均为钢筋混凝土框架结构。厂房C由两层车间和一层连廊组成,连廊屋顶采用悬挑结构,厂房A、B、C经连廊相互贯通。新旧厂房之间需设置变形缝,新旧厂房首层组合平面图及剖面图如图所示。

作图要求

在组合平面图和剖面图中,用短粗实线标明新旧建筑间墙体变形缝位置。在新建厂房C中的一层顶板开设一处长度为19 m,宽度为13m的洞口,该洞口范围内要求无梁、板、柱,根据结构合理性,在平面中用粗虚线绘出该洞口位置,并标明需去除的柱子。

建筑构造与详图作图题,押题密卷,建筑构造与详图(作图题)押题密卷2

建筑构造与详图作图题,押题密卷,建筑构造与详图(作图题)押题密卷2

建筑构造与详图作图题,押题密卷,建筑构造与详图(作图题)押题密卷2

建筑构造与详图作图题,押题密卷,建筑构造与详图(作图题)押题密卷2

查看答案
问答题

应设置附加防水层的节点是( )。

A.节点①

B.节点①、节点③

C.节点②、节点③

D.节点②、节点

查看答案
问答题

使用扁钢的节点是( )。

A.节点①

B.节点②

C.节点③

D.节点④

查看答案
问答题

节点③中,侧墙靠顶板部位自外向内的正确防水构造层次为( )。

A.加气混凝土块保护层、防水层、水泥砂浆找平层

B.加气混凝土块保护层、附加防水层、防水层、水泥砂浆找平层

C.加气混凝土块保护层、隔离层、防水层

D.加气混凝土块保护层、水泥砂浆找平层

查看答案