当前位置:首页建筑工程注册结构工程师结构专业考试一级->某外挑三角架,安全等级为二级,计算简图如图2-10所示。其中

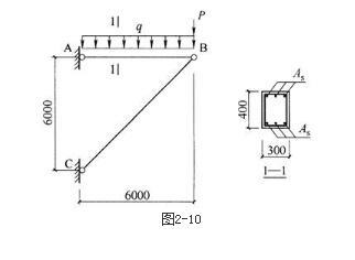
某外挑三角架,安全等级为二级,计算简图如图2-10所示。其中横杆AB为混凝土构件,截面尺寸为300mm×400mm,混凝土强度等级为C35,纵向钢筋采用HRB400,对称配筋,as=as′=45mm。假定,均布荷载设计值g=25kN/m(包括自重),集中荷载设计值P=350kN(作用于节点B上)。试问,按承载能力极限状态计算(不考虑抗震),横杆最不利截面的纵向配筋As(mm2)与下列何项数值最为接近?(  )

结构专业考试一级,章节练习,基础复习,钢筋混凝土结构

  • A.980
  • B.1190
  • C.1400
  • D.1600
答案: D
本题解析:

结构专业考试一级,章节练习,基础复习,钢筋混凝土结构

更新时间:2022-01-05 05:02
纠错

你可能感兴趣的试题

单选题

结构专业考试二级,押题密卷,2022年二级注册结构工程师《专业考试》押题密卷2

  • A.99
  • B.83
  • C.92
  • D.76
查看答案
单选题

结构专业考试二级,押题密卷,2022年二级注册结构工程师《专业考试》押题密卷1

  • A.156、71
  • B.249、7
  • C.216、7
  • D.203、1
查看答案
单选题

结构专业考试二级,押题密卷,2022年二级注册结构工程师《专业考试》押题密卷1

  • A.9<24
  • B.9<18
  • C.8、4<24
  • D.7、1<8
查看答案
单选题

结构专业考试二级,模拟考试,2022年二级注册结构工程师《专业考试》模拟试卷4

  • A.99
  • B.83
  • C.92
  • D.76
查看答案
单选题

结构专业考试二级,模拟考试,2022年二级注册结构工程师《专业考试》模拟试卷3

  • A.4、89
  • B.6、22
  • C.7、94
  • D.10、09
查看答案
单选题

结构专业考试二级,模拟考试,2022年二级注册结构工程师《专业考试》模拟试卷3

  • A.156、71
  • B.249、7
  • C.216、7
  • D.203、1
查看答案
单选题

结构专业考试二级,模拟考试,2022年二级注册结构工程师《专业考试》模拟试卷2

  • A.1、0,8、8
  • B.1、0,10
  • C.1、25,10
  • D.1、0,7、2
查看答案
单选题

结构专业考试二级,模拟考试,2022年二级注册结构工程师《专业考试》模拟试卷2

  • A.10、5
  • B.12、0
  • C.13、0
  • D.14、0
查看答案
单选题

结构专业考试二级,模拟考试,2022年二级注册结构工程师《专业考试》模拟试卷1

  • A.9<24
  • B.9<18
  • C.8、4<24
  • D.7、1<8
查看答案
单选题

结构专业考试二级,点睛提分卷,2022年二级注册结构工程师《专业考试》点睛提分卷5

结构专业考试二级,点睛提分卷,2022年二级注册结构工程师《专业考试》点睛提分卷5

  • A.176.8
  • B.198.8
  • C.206.8
  • D.212.3
查看答案