某单层等高等跨厂房,排架结构图所示,安全等级为二级。厂房长度为66m,排架间距B=6m,两端山墙,采用砖围护墙及钢屋架,屋面支撑系统完整。柱及牛腿混凝土强度等级为C30,纵筋采用HRB400。[2013年真题]
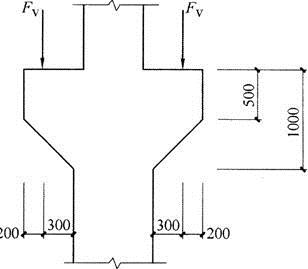
假定,柱B牛腿如图2-8所示,牛腿顶部的竖向力设计值Fv=450kN,牛腿截面有效高度h0=950mm,宽度b=400mm,牛腿的截面尺寸满足裂缝控制要求。试问,牛腿纵向受拉钢筋截面面积As(mm2),与下列何项数值最为接近?( )

根据《混凝土结构设计规范》(GB 50010—2010)第9.3.11条式(9.3.11)计算,牛腿纵向受拉钢筋为:

根据第9.3.12条规定,承受竖向力的纵筋应满足构造要求所需要的最小配筋率为:

故牛腿纵向受拉钢筋截面面积As1=0.2%×400×1000=800mm2>495mm2,应取800mm2。由此可知,C项数值最为接近。










