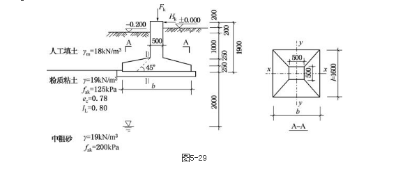
某门式刚架单层厂房基础,采用的是独立基础。混凝土短柱截面尺寸为500mm×500mm;与水平力作用方向垂直的基础底边长l=1.6m。相应于荷载效应标准组合时,作用于短柱顶面上的竖向荷载为Fk,水平荷载为Hk。已知基础采用C30混凝土,基础底面以上土与基础的加权平均容重为20kN/m3,其他参数均如图5-29中所示。

计算基础底面处修正后的地基承载力特征值fa(kPa)最接近于( )
根据《建筑地基基础设计规范》(GB 50007—2011)第5.2.4条规定,修正后的地基承载力特征值为:fa=fak+ηbγ(b-3)+ηdγm(d-0.5);
式中,ηb、ηd为基础宽度和埋置深度的地基承载力修正系数,按基底下土的类别查表5.2.4取值;由图5-26可知,ec=0.78、Il=0.80,则承载力修正系数为:ηb=0.3,ηd=1.6;
由于基础宽度=1.6m<3m,则取b=3m;
d为基础埋深,为室外地面至基底的距离,即:d=1900-200-200=1500mm=1.5m;
则修正后的地基承载力特征值为:
fa=fak+ηbγ(b-3)+ηdγm(d-0.5)=125+1.6×18×(1.5-0.5)=153.8kPa。
由此可知,C项数值最为接近。










