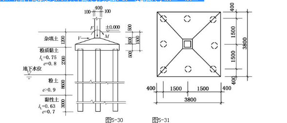
如图所示,某丙级建筑物有一柱下桩基础,采用8根沉管灌注桩,已知桩身设计直径d=377mm,桩身有效计算长度l=13.6m,桩中心距1.5m。作用于承台顶面的荷载有竖向力设计值F,弯矩设计值M和水平剪力设计值V。承台埋深1.5m,承台中间厚度为1.0m,其平面尺寸为见图5-31。柱截面尺寸400mm×400mm。

假定F=3550kN,M=0,V=0时,复合基桩桩顶的反力设计值N=500kN,桩基承台和承台上土自重设计值G=450kN。现要求根据《建筑桩基技术规范》(JGJ 94—2008)的规定计算承台的弯矩,其弯矩设计值M最接近于( )kN·m。











