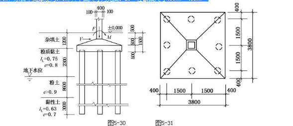
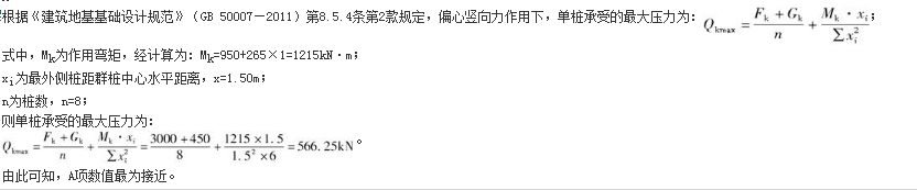
如图所示,某丙级建筑物有一柱下桩基础,采用8根沉管灌注桩,已知桩身设计直径d=377mm,桩身有效计算长度l=13.6m,桩中心距1.5m。作用于承台顶面的荷载有竖向力设计值F,弯矩设计值M和水平剪力设计值V。承台埋深1.5m,承台中间厚度为1.0m,其平面尺寸为见图5-31。柱截面尺寸400mm×400mm。

假定作用于承台顶面的竖向力标准值F=3000kN,力矩标准值M=950kN·m,水平剪力标准值V=265kN。已知计算得桩基承台自重和承台上的土自重标准值G=450kN。当根据《建筑地基基础设计规范》(GB 50007—2011)的规定进行偏心受压计算时,单桩所承受的最大外力标准值Qkmax最接近于( )kN。











