当前位置:首页建筑工程注册结构工程师结构专业考试一级->如图所示,某丙级建筑物有一柱下桩基础,采用8根沉管灌注桩,已

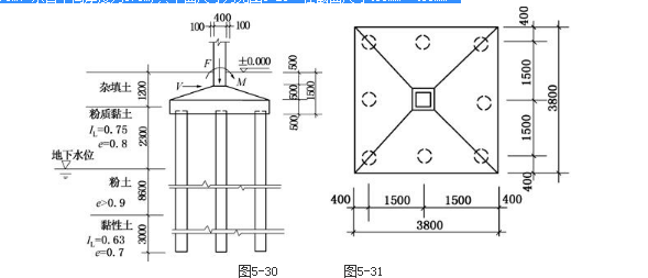
如图所示,某丙级建筑物有一柱下桩基础,采用8根沉管灌注桩,已知桩身设计直径d=377mm,桩身有效计算长度l=13.6m,桩中心距1.5m。作用于承台顶面的荷载有竖向力设计值F,弯矩设计值M和水平剪力设计值V。承台埋深1.5m,承台中间厚度为1.0m,其平面尺寸为见图5-31。柱截面尺寸400mm×400mm。

结构专业考试一级,章节练习,基础复习,地基与基础

已知桩身的混凝土强度等级为C20,根据《建筑桩基技术规范》(JGJ 94—2008)的规定进行计算,试确定在轴心受压荷载下的桩身承载力最接近于(  )kN。

  • A.857
  • B.975
  • C.1005
  • D.1116
答案: A
本题解析:

结构专业考试一级,章节练习,基础复习,地基与基础

更新时间:2021-12-25 04:04
纠错

你可能感兴趣的试题

单选题

结构专业考试二级,押题密卷,2022年二级注册结构工程师《专业考试》押题密卷2

  • A.99
  • B.83
  • C.92
  • D.76
查看答案
单选题

结构专业考试二级,押题密卷,2022年二级注册结构工程师《专业考试》押题密卷1

  • A.156、71
  • B.249、7
  • C.216、7
  • D.203、1
查看答案
单选题

结构专业考试二级,押题密卷,2022年二级注册结构工程师《专业考试》押题密卷1

  • A.9<24
  • B.9<18
  • C.8、4<24
  • D.7、1<8
查看答案
单选题

结构专业考试二级,模拟考试,2022年二级注册结构工程师《专业考试》模拟试卷4

  • A.99
  • B.83
  • C.92
  • D.76
查看答案
单选题

结构专业考试二级,模拟考试,2022年二级注册结构工程师《专业考试》模拟试卷3

  • A.4、89
  • B.6、22
  • C.7、94
  • D.10、09
查看答案
单选题

结构专业考试二级,模拟考试,2022年二级注册结构工程师《专业考试》模拟试卷3

  • A.156、71
  • B.249、7
  • C.216、7
  • D.203、1
查看答案
单选题

结构专业考试二级,模拟考试,2022年二级注册结构工程师《专业考试》模拟试卷2

  • A.1、0,8、8
  • B.1、0,10
  • C.1、25,10
  • D.1、0,7、2
查看答案
单选题

结构专业考试二级,模拟考试,2022年二级注册结构工程师《专业考试》模拟试卷2

  • A.10、5
  • B.12、0
  • C.13、0
  • D.14、0
查看答案
单选题

结构专业考试二级,模拟考试,2022年二级注册结构工程师《专业考试》模拟试卷1

  • A.9<24
  • B.9<18
  • C.8、4<24
  • D.7、1<8
查看答案
单选题

结构专业考试二级,点睛提分卷,2022年二级注册结构工程师《专业考试》点睛提分卷5

结构专业考试二级,点睛提分卷,2022年二级注册结构工程师《专业考试》点睛提分卷5

  • A.176.8
  • B.198.8
  • C.206.8
  • D.212.3
查看答案