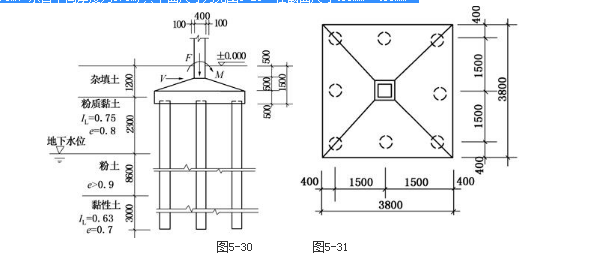
如图所示,某丙级建筑物有一柱下桩基础,采用8根沉管灌注桩,已知桩身设计直径d=377mm,桩身有效计算长度l=13.6m,桩中心距1.5m。作用于承台顶面的荷载有竖向力设计值F,弯矩设计值M和水平剪力设计值V。承台埋深1.5m,承台中间厚度为1.0m,其平面尺寸为见图5-31。柱截面尺寸400mm×400mm。

假定在该工程中,经静载荷试验测得三根试桩的单桩竖向极限承载力分别为830kN、865kN和880kN,根据《建筑地基基础设计规范》(GB 50007—2011)的规定,所采用的单桩竖向承载力特征值Ra,应最接近于( )kN。
根据《建筑地基基础设计规范》(GB 50007—2011)附录Q第Q.0.10条第6款规定,参加统计的试桩,当满足其极差不超过平均值的30%时,可取其平均值为单桩竖向极限承载力;极差超过平均值的30%时,宜增加试桩数量并分析极差过大的原因,结合工程具体情况确定极限承载力。对桩数为3根及3根以下的柱下桩台,取最小值。
其单桩竖向极限承载力平均值为:(830+865+880)/3=858.3kN;
极值为:880-830=50<858.3×30%=257.5kN;
故单桩竖向承载力特征值为:Ra=858.3/2=429.15kN。
由此可知,A项数值最为接近。










