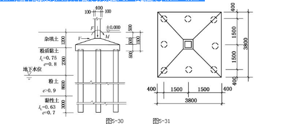
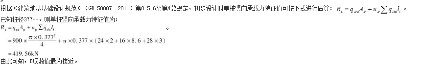
如图所示,某丙级建筑物有一柱下桩基础,采用8根沉管灌注桩,已知桩身设计直径d=377mm,桩身有效计算长度l=13.6m,桩中心距1.5m。作用于承台顶面的荷载有竖向力设计值F,弯矩设计值M和水平剪力设计值V。承台埋深1.5m,承台中间厚度为1.0m,其平面尺寸为见图5-31。柱截面尺寸400mm×400mm。

已知粉质黏土、粉土和黏性土的桩侧阻力特征值qsia分别为24kPa、16kPa和28kPa,黏性土的桩端端阻力特征值qpa为900kPa。初步设计时根据《建筑地基基础设计规范》(GB 50007—2011)的规定进行计算,试确定单桩竖向承载力特征值Ra最接近于( )kN。











