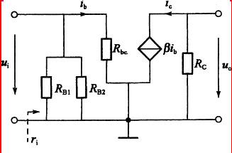
当前位置:首页建筑工程公用设备工程师(暖通空调+动力)基础知识->晶体管单管放大电路如图所示,当晶体管工作于线性区时,晶体管的

晶体管单管放大电路如图所示,当晶体管工作于线性区时,晶体管的输入电阻为Rbe(暖通空调+动力)基础知识,历年真题,2008年基础知识(暖通空调+动力)真题,那么,该放大电路的输入电阻为:

(暖通空调+动力)基础知识,历年真题,2008年基础知识(暖通空调+动力)真题

  • A.见图A
  • B.见图B
  • C.见图C
  • D.见图D
查看答案 纠错
答案: B
本题解析:

画出放大电路的微变等效电路如图所示。可见该电路的输入电阻为:基础知识,历年真题,2008土木工程师(水利水电)公共基础真题基础知识,历年真题,2008土木工程师(水利水电)公共基础真题

更新时间:2021-12-27 14:03

你可能感兴趣的试题

单选题

基础知识(给排水),章节冲刺,工程科学基础

  • A.<img src='http://tp.mxqe.com/data/746/13587409_0_1.jpg' alt='基础知识(给排水),章节冲刺,工程科学基础' title='基础知识(给排水),章节冲刺,工程科学基础'>
  • B.<img src='http://tp.mxqe.com/data/746/13587409_0_2.jpg' alt='基础知识(给排水),章节冲刺,工程科学基础' title='基础知识(给排水),章节冲刺,工程科学基础'>
  • C.<img src='http://tp.mxqe.com/data/746/13587409_0_3.jpg' alt='基础知识(给排水),章节冲刺,工程科学基础' title='基础知识(给排水),章节冲刺,工程科学基础'>
  • D.<img src='http://tp.mxqe.com/data/746/13587409_0_4.jpg' alt='基础知识(给排水),章节冲刺,工程科学基础' title='基础知识(给排水),章节冲刺,工程科学基础'>
查看答案
单选题

基础知识(给排水),章节冲刺,工程科学基础

  • A.3.4
  • B.4.2
  • C.4.9
  • D.6.1
查看答案
单选题

基础知识(给排水),章节冲刺,工程科学基础

  • A.1/3
  • B.1/2
  • C.2/3
  • D.1
查看答案
单选题

基础知识(给排水),章节冲刺,工程科学基础

  • A.18
  • B.15
  • C.10.9
  • D.9
查看答案
单选题

基础知识(给排水),章节冲刺,工程科学基础

  • A.对理想流体,该测压管水头线(Hp线)应该沿程无变化
  • B.该图是理想流体流动的水头线
  • C.对理想流体,该总水头线(H0线)沿程无变化
  • D.该图不适用于描述实际流体的水头线
查看答案
单选题

基础知识(给排水),章节冲刺,工程科学基础

  • A.<img src='http://tp.mxqe.com/data/746/13587400_0_1.jpg' alt='基础知识(给排水),章节冲刺,工程科学基础' title='基础知识(给排水),章节冲刺,工程科学基础'>
  • B.<img src='http://tp.mxqe.com/data/746/13587400_0_2.jpg' alt='基础知识(给排水),章节冲刺,工程科学基础' title='基础知识(给排水),章节冲刺,工程科学基础'>
  • C.<img src='http://tp.mxqe.com/data/746/13587400_0_3.jpg' alt='基础知识(给排水),章节冲刺,工程科学基础' title='基础知识(给排水),章节冲刺,工程科学基础'>
  • D.<img src='http://tp.mxqe.com/data/746/13587400_0_4.jpg' alt='基础知识(给排水),章节冲刺,工程科学基础' title='基础知识(给排水),章节冲刺,工程科学基础'>
查看答案
单选题

基础知识(给排水),章节冲刺,工程科学基础

  • A.40.9
  • B.43.8
  • C.45.7
  • D.47.6
查看答案
单选题

基础知识(给排水),章节冲刺,工程科学基础

  • A.<img src='http://tp.mxqe.com/data/746/13587397_0_1.jpg' alt='基础知识(给排水),章节冲刺,工程科学基础' title='基础知识(给排水),章节冲刺,工程科学基础'>
  • B.<img src='http://tp.mxqe.com/data/746/13587397_0_2.jpg' alt='基础知识(给排水),章节冲刺,工程科学基础' title='基础知识(给排水),章节冲刺,工程科学基础'>
  • C.<img src='http://tp.mxqe.com/data/746/13587397_0_3.jpg' alt='基础知识(给排水),章节冲刺,工程科学基础' title='基础知识(给排水),章节冲刺,工程科学基础'>
  • D.<img src='http://tp.mxqe.com/data/746/13587397_0_4.jpg' alt='基础知识(给排水),章节冲刺,工程科学基础' title='基础知识(给排水),章节冲刺,工程科学基础'>
查看答案
单选题

基础知识(给排水),章节冲刺,工程科学基础

  • A.1.50
  • B.0.95
  • C.0.67
  • D.1.05
查看答案
单选题

基础知识(给排水),章节冲刺,工程科学基础

  • A.3.98
  • B.4.83
  • C.2.73
  • D.15.8
查看答案