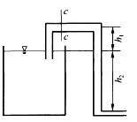
当前位置:首页建筑工程注册电气工程师电气工程师公共基础->有一引水虹吸管,出口通大气(如图所示)。已知h1=1.5m,

有一引水虹吸管,出口通大气(如图所示)。已知h1=1.5m,h2=3m,不计水头损失,取动能修正系数a=1。则断面c-c中心处的压强pc为:

  • A.14.7kPa
  • B.-14.7kPa
  • C.44.1kPa
  • D.-44. 1kPa基础知识,章节练习,流体力学
查看答案 纠错
答案: D
本题解析:

提示 运用能量方程求解。

更新时间:2021-07-31 22:33

你可能感兴趣的试题

单选题

电气工程师基础专业知识,预测试卷,2021年注册电气工程师《专业基础》预测试卷5

电气工程师基础专业知识,预测试卷,2021年注册电气工程师《专业基础》预测试卷5

  • A.见图A
  • B.见图B
  • C.见图C
  • D.见图D
查看答案
单选题

电气工程师基础专业知识,预测试卷,2021年注册电气工程师《专业基础》预测试卷5

  • A.见图A
  • B.见图B
  • C.见图C
  • D.见图D
查看答案
单选题

电气工程师基础专业知识,预测试卷,2021年注册电气工程师《专业基础》预测试卷5

电气工程师基础专业知识,预测试卷,2021年注册电气工程师《专业基础》预测试卷5

  • A.见图A
  • B.见图B
  • C.见图C
  • D.见图D
查看答案
单选题

电气工程师基础专业知识,预测试卷,2021年注册电气工程师《专业基础》预测试卷5电气工程师基础专业知识,预测试卷,2021年注册电气工程师《专业基础》预测试卷5

电气工程师基础专业知识,预测试卷,2021年注册电气工程师《专业基础》预测试卷5

  • A.见图A
  • B.见图B
  • C.见图C
  • D.见图D
查看答案
单选题

电气工程师基础专业知识,预测试卷,2021年注册电气工程师《专业基础》预测试卷5

  • A.见图A
  • B.见图B
  • C.见图C
  • D.见图D
查看答案
单选题

电气工程师基础专业知识,预测试卷,2021年注册电气工程师《专业基础》预测试卷5

电气工程师基础专业知识,预测试卷,2021年注册电气工程师《专业基础》预测试卷5电气工程师基础专业知识,预测试卷,2021年注册电气工程师《专业基础》预测试卷5

  • A.见图A
  • B.见图B
  • C.见图C
  • D.见图D
查看答案
单选题

电气工程师基础专业知识,预测试卷,2021年注册电气工程师《专业基础》预测试卷5

  • A.见图A
  • B.见图B
  • C.见图C
  • D.见图D
查看答案
单选题

电气工程师基础专业知识,预测试卷,2021年注册电气工程师《专业基础》预测试卷5

  • A.见图A
  • B.见图B
  • C.见图C
  • D.见图D
查看答案
单选题

电气工程师基础专业知识,预测试卷,2021年注册电气工程师《专业基础》预测试卷5

  • A.见图A
  • B.见图B
  • C.见图C
  • D.见图D
查看答案
单选题

电气工程师基础专业知识,预测试卷,2021年注册电气工程师《专业基础》预测试卷5

  • A.见图A
  • B.见图B
  • C.见图C
  • D.见图D
查看答案