当前位置:首页建筑工程注册电气工程师电气工程师公共基础->圆截面杆ABC轴向受力如图。已知BC杆的直径d=100mm,

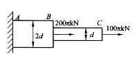
圆截面杆ABC轴向受力如图。已知BC杆的直径d = 100mm,AB杆的直径为2d,杆的最大的拉应力是:

  • A.40MPa
  • B.30MPa
  • C.80MPa
  • D.120MPa基础知识,章节练习,材料力学
查看答案 纠错
答案: A
本题解析:

基础知识,章节练习,材料力学

更新时间:2021-08-08 14:58

你可能感兴趣的试题

单选题

电气工程师基础专业知识,预测试卷,2021年注册电气工程师《专业基础》预测试卷5

电气工程师基础专业知识,预测试卷,2021年注册电气工程师《专业基础》预测试卷5

  • A.见图A
  • B.见图B
  • C.见图C
  • D.见图D
查看答案
单选题

电气工程师基础专业知识,预测试卷,2021年注册电气工程师《专业基础》预测试卷5

  • A.见图A
  • B.见图B
  • C.见图C
  • D.见图D
查看答案
单选题

电气工程师基础专业知识,预测试卷,2021年注册电气工程师《专业基础》预测试卷5

电气工程师基础专业知识,预测试卷,2021年注册电气工程师《专业基础》预测试卷5

  • A.见图A
  • B.见图B
  • C.见图C
  • D.见图D
查看答案
单选题

电气工程师基础专业知识,预测试卷,2021年注册电气工程师《专业基础》预测试卷5电气工程师基础专业知识,预测试卷,2021年注册电气工程师《专业基础》预测试卷5

电气工程师基础专业知识,预测试卷,2021年注册电气工程师《专业基础》预测试卷5

  • A.见图A
  • B.见图B
  • C.见图C
  • D.见图D
查看答案
单选题

电气工程师基础专业知识,预测试卷,2021年注册电气工程师《专业基础》预测试卷5

  • A.见图A
  • B.见图B
  • C.见图C
  • D.见图D
查看答案
单选题

电气工程师基础专业知识,预测试卷,2021年注册电气工程师《专业基础》预测试卷5

电气工程师基础专业知识,预测试卷,2021年注册电气工程师《专业基础》预测试卷5电气工程师基础专业知识,预测试卷,2021年注册电气工程师《专业基础》预测试卷5

  • A.见图A
  • B.见图B
  • C.见图C
  • D.见图D
查看答案
单选题

电气工程师基础专业知识,预测试卷,2021年注册电气工程师《专业基础》预测试卷5

  • A.见图A
  • B.见图B
  • C.见图C
  • D.见图D
查看答案
单选题

电气工程师基础专业知识,预测试卷,2021年注册电气工程师《专业基础》预测试卷5

  • A.见图A
  • B.见图B
  • C.见图C
  • D.见图D
查看答案
单选题

电气工程师基础专业知识,预测试卷,2021年注册电气工程师《专业基础》预测试卷5

  • A.见图A
  • B.见图B
  • C.见图C
  • D.见图D
查看答案
单选题

电气工程师基础专业知识,预测试卷,2021年注册电气工程师《专业基础》预测试卷5

  • A.见图A
  • B.见图B
  • C.见图C
  • D.见图D
查看答案